锦州億彩
锦州億彩
官方微信
官方微信
维权热线
职工互助
职工救助
官方微信
官方微信
维权热线
12351
辽工网上入会
职工互助
欢迎您访问 锦州億彩网站!
今天是:
锦州市首届“状元杯”职工职业技能竞赛钳工实际操作考试复习题
上传时间:2014年07月15日 14:07:24 访问数量:7053
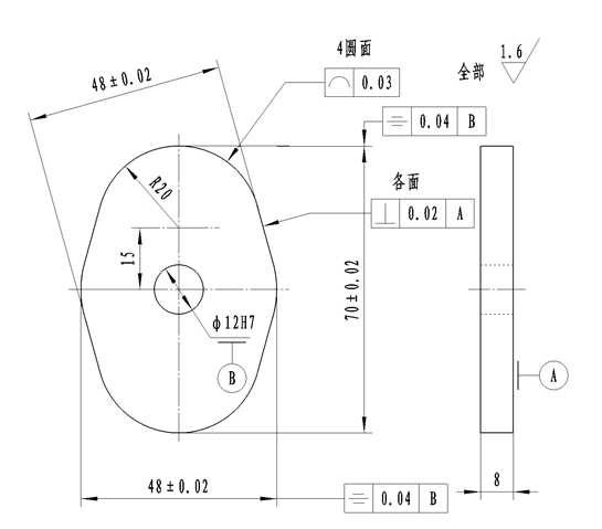
锦州市首届“状元杯”职工职业技能竞赛
钳工实际操作考试复习题
 

1.本题分值:100分
2.考核时间:270分钟
3.具体考核要求:
(1)公差等级:锉削IT7、铰孔IT7
(2)形位公差:锉削平行度6级、垂直度6级、线轮廓度8级、对称度7级、铰孔垂直度9级
(3)表面粗糙度:锉削Ra1.6、铰孔Ra0.8
4.试题图及技术要求: